In alle boorgaten wordt een ringnagel Ø 4,0 x 50 mm aangebracht. De houtvezels liggen loodrecht op de neerwaartse belasting.
Vernageling op kolom :
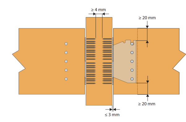
Gedeeltelijke vernageling: de nagels worden geplaatst volgens het principe in het onderstaande schema. De vezels van de drager liggen evenwijdig aan de neerwaartse belasting.
Plaatsing :
Enkelzijdig : breedte ≥ 160 mm
Dubbelzijdig
Meta Navigation nl-NL
Legal Info
Over Simpson Strong-Tie®
Simpson Strong Tie biedt producten en technologieën die mensen helpen bij het ontwerpen en bouwen van veiligere en sterkere structuren.
Als pionier in de bouwsector en wereldleider in structurele oplossingen hebben we een ongeëvenaarde passie voor het oplossen van problemen door middel van bekwame engineering en doordachte innovatie. Onze toewijding aan het vinden van steeds efficiëntere bouwproducten en -technologieën en het ondersteunen van onze klanten met uitzonderlijke service en ondersteuning vormt al sinds 1956 onze missie.