TRZ

Zelfborende plug Zamac voor gipsplaten

De zelfborende plug TRZ maakt de snelle bevestiging van elementen op gipsplaten of -tegels en op cellenbeton mogelijk. Deze plug kan direct in een enkele of dubbele gipsplaatwand worden geschroefd met de kop gelijk met het oppervlak. De plug kan vervolgens worden gebruikt met een hout- of staalschroef met een diameter van 3 tot 4,5 mm.

De plug wordt geïnstalleerd met een kruiskopschroevendraaier of -bit PH2.

Gele verzinkt

Product Details

Afbeeldingen

Kenmerken

Materiaal

  • Plug : Zamak,
  • Schroef : elektrolytisch verzinkt staal.

Voordelen

  • Voorboren totaal overbodig maakt,
  • Ook geschikt voor dubbele gipsplaten.

Toepassing

Toepassingsgebieden

  • Houten steunlat
  • Staaf
  • Metalen profiel
  • Goot

Ondergrond

  • Gipsplaat,
  • Cellenbeton,
  • Gipstegel,
  • Panelen (compatibiliteit te controleren).

Technische gegevens

Afmetingen

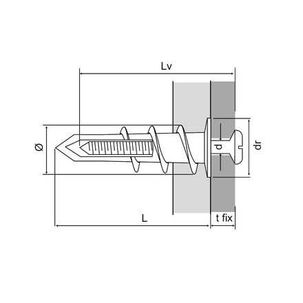
Product Dimensions

Referentie Product Reference Plug diameter x length [ØxL] [mm] Fixture thickness [tfix] [mm] Nominal embedment depth* [hnom] [mm] Min. support thickness* [hmin] [mm] Screw diameter [d] [mm] Screw lenght [Lv] [mm] Washer diameter [dr] [mm] Recess Qty per box Qty per outer box Gewicht [kg]
7500601303000TRZ13x3010306043514PZ210020000.007

Values refer to installation on compact base materials such as aerated concrete.

Installatie

Installatie

ZIP-pakketten

Online kopen

Geen artikelen beschikbaar.

Contact

Simpson Strong-Tie Frankrijk

Simpson Strong-Tie

ZAC des Quatre Chemins
85400 Sainte-Gemme-la-Plaine
Frankrijk