TAN

Zelfborende nylonplug voor gipsplaten

De nylonplug TAN is ontworpen voor bevestiging op gipsplaten. Deze plug kan direct in een enkele of dubbele gipsplaatwand worden geschroefd met de kop gelijk met het oppervlak. De plug kan vervolgens worden gebruikt met een hout- of staalschroef met een diameter van 3 tot 4,5 mm.

De plug wordt geïnstalleerd met een kruiskopschroevendraaier of -bit PH2.

Product Details

Afbeeldingen

Kenmerken

Voordelen

  • Voorboren totaal overbodig maakt,
  • Ook geschikt voor dubbele gipsplaten.

Toepassing

Materiaal

  • Nylon.

Toepassingsgebieden

  • Houten steunlat
  • Staaf
  • Metalen profiel
  • Goot

Ondergrond

  • Gipsplaat

Technische gegevens

Afmetingen

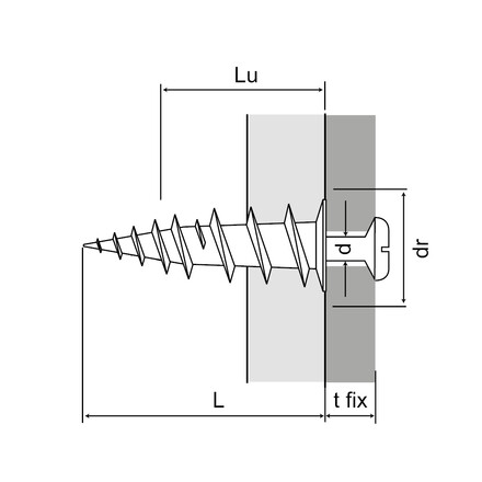
Product Dimensions

Referentie Product Reference Dimensions [ØxL] [mm] Plug [Ø x L] Min. screw diameter [d] [mm] Max. screw diameter [d] [mm] Washer diameter dr [mm] Min. thread engagement [Lu] [mm] Qty per box Qty per outer box Gewicht [kg]
6550501503500TANØ6.5x3515x3534.5142210010000.002

Screw Length: Lv = Lu + tfix

Use Phillips PH2 insert with plasterboard plug

Installatie

Installatie

ZIP-pakketten

Online kopen

Geen artikelen beschikbaar.

Contact

Simpson Strong-Tie Frankrijk

Simpson Strong-Tie

ZAC des Quatre Chemins
85400 Sainte-Gemme-la-Plaine
Frankrijk