TSA-PATTEN

Vrouwelijke metalen plug voor zware belasting optie 7

De metalen hulsplug TSA-PATTEN is geschikt voor het bevestigen van niet-structurele elementen op volle ondergronden. De installatie is eenvoudig en snel dankzij de uitzetting waardoor een laag schroefkoppel nodig is.

Gebruiksklasse 2
Elektrolytisch verzinkt staal
Binner

Product Details

Afbeeldingen

Kenmerken

Materiaal

  • Elektrolytisch verzinkt staal.

Voordelen

  • Gelijkmatige uitzetting van de huls dankzij 3 expansiesegmenten gemaakt uit één stuk staal,
  • De speciale vorm van de 3 expansiesegmenten zorgt ervoor dat het te bevestigen element tijdens de expansie tegen de ondergrond wordt geklemd.

Toepassing

Toepassingsgebieden

  • Metalen ramen en deuren,
  • Borstweringen,
  • Garagedeuren,
  • Metalen panelen,
  • Diverse uitrustingen.

Ondergrond

  • Ongescheurd beton,
  • Steen,
  • Vol metselwerk (compatibiliteit te controleren).

Technische gegevens

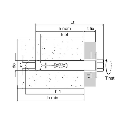
Product Dimensions - Hex head screw grade 8.8

Referentie Product Reference Hole diameter / fixture thickness [do/tfix] [mm] Plug [Ø x L] Fixing thickness [max] Screw diameter [d] [mm] Min. hole depth [h1] [mm] Nominal embedment depth [hnom] [mm] Min. setting depth [hef] [mm] Hole diameter in fixture [df] [mm] Min. support thickness [hmin] [mm] Torque [Tinst] [Nm] Wrench [SW] Total lenght [Lt] [mm] Qty per box Qty per outer box
79602B0804500TSA-PATTEN8/088x458M650362310100710491001000
79602B08060008/238x6023M65036231010071064100800
79602B08080008/438x8043M6503623101007108450500
79602B08100008/638x10063M65036231010071010450400
79602B100600010/1510x6015M86043311210015136550400
79602B100800010/3510x8035M86043311210015138550300
79602B101000010/5510x10055M860433112100151310525250
79602B101200010/7510x12075M860433112100151312520200
79602B101400010/9510x14095M860433112100151314520240
79602B120700012/1712x7017M106550361410030177650200
79602B121000012/4712x10047M1065503614100301710625200
79602B121300012/7712x13077M1065503614100301713620120

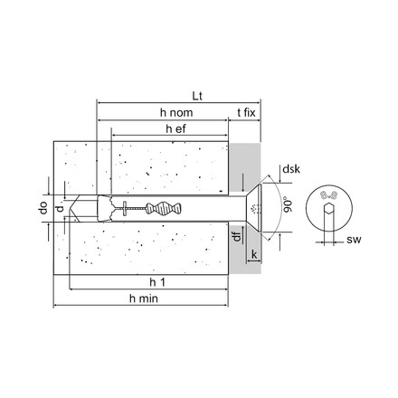
Product Dimensions - Hex socket countersunk head

Table "Product Dimensions - Hex socket countersunk head" cannot be displayed : no references available.

Afmetingen

Table "Afmetingen" cannot be displayed : no references available.

Installatie

Installatie

ZIP-pakketten

Online kopen

Geen artikelen beschikbaar.

Contact

Simpson Strong-Tie Frankrijk

Simpson Strong-Tie

ZAC des Quatre Chemins
85400 Sainte-Gemme-la-Plaine
Frankrijk