X3 A4

Hoogwaardige lange nylonplug - Rvs A4

Met de lange nylonplug X3 A4 kunnen dunne of dikke elementen, met 3 mogelijke verankeringsdieptes per lengte, op elk type volle of holle ondergrond worden bevestigd. 

De plug heeft een gelijkmatige uitzetting in alle richtingen en levert daarom uitstekende prestaties. 

De plug wordt geleverd met een schroef met zeskantkop of verzonken kop.

CE-Markering
ETA
Gebruiksklasse 3
Roestvrij staal A4
Veeleisend
Feu R 90
Fix Calc

Product Details

Afbeeldingen

Kenmerken

Materiaal

  • Plug : nylon,
  • Schroeven : Roestvrij staal A4.

Voordelen

  • Hoge sterkte op alle soorten ondergrondmateriaal,
  • 3 mogelijke verankeringsdieptes per pluglengte,
  • Hoge flexibiliteit, korte installatietijd: de plug kan door het te bevestigen element heen worden geïnstalleerd. Bij installatie met een gereduceerde verankeringsdiepte wordt ook de boortijd verkort,
  • Verhoogde uitzetting,
  • Ontworpen voor het bevestigen van kapconstructie- en gevelelementen.

Toepassing

Toepassingsgebieden

  • Houten of metalen kapconstructie
  • Gevel, buitenisolatie:
  • Keper op muur
  • Hoekijzer voor gevelbekleding op de muur

Ondergrond

  • Ongescheurd beton,
  • Hol en vol metselwerk.

Technische gegevens

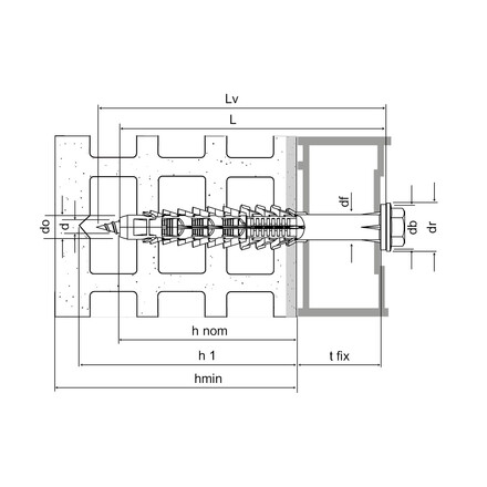
Afmetingen

Product Dimension - Countersunk TX Screw

Referentie Product Reference Plug [ØxL] [mm] Screw [ØxL] [mm] Reduced fixture thickness [tfix] [mm] Standard fixture thickness [tfix] [mm] Increased(1) fixture thickness [tfix] [mm] Bit Qty per box Qty per outer box
6460200808000X3 A48x806x884030-T3050500
6460200812000X3 A48x1206x1288070-T3050500

(1) Only for aerated concrete

Design capacities - single anchor - no edge distances

Referentie Design capacities - single anchor - no edge distances
Design capacity
Tension - NRd Shear - VRd Bending moment - MRd [Nm]
Non-cracked concrete C12/15 [kN] Non-cracked concrete C16/20 [kN] Autoclaved aerated concrete AAC 2 [kN] Solid brick (BP400) [kN] Non-cracked concrete C12/15 [kN] Non-cracked concrete C16/20 [kN] Autoclaved aerated concrete AAC 2 [kN] Solid brick (BP400) [kN]
64602008080000.650.83-1.4----8.3
64602008120000.650.83-1.4----8.3

Installatie

Installatie

Spacings and edge distances

Referentie Product Reference Plug [ØxL] [mm] Spacing and  Edge Distance 
Non-cracked concrete C12/15 Non-cracked concrete C16/20 Autoclaved aerated concrete AAC 2 [scr,N] [mm] Solid brick (BP400) [Tinst] [Nm]
Min. edge distance Min. spacing [kN] Characteristic edge distance [kN] Minimun thickness of support [Nm] Min.edge distance  [kN] Characteristic edge distance [kN] Min.spacing [kN] Minimun thichness of support  [kN] Min. edge distance [cmin] [mm] Min. spacing [smin] [mm] Characteristic edge distance  [kN] Minimun thickness of support [ccr,N] [mm] Min.edge distance  [ccr,N] [mm] Min.spacing [hef] [mm] Characteristic edge distance  [scr,N] [mm] Minimun thickness of support [hmin] [mm]
6460200808000X3 A48x80708585100506060100100250-240100250-175
6460200812000X3 A48x120708585100506060100100250-240100250-175

Installation data

Referentie Installation data
Min. drill depth [h1] [mm] Ø drilling fixture [df] [mm] Ø drilling hole [d0] [mm]
6460200808000558.58
6460200812000558.58

Certificering

Prestatieverklaring: DoP

nl-x3-02-f.pdf (221.5 KB)

Europese technische goedkeuring: ETA

Downloads

ZIP-pakketten

Online kopen

Geen artikelen beschikbaar.

Contact

Simpson Strong-Tie Frankrijk

Simpson Strong-Tie

ZAC des Quatre Chemins
85400 Sainte-Gemme-la-Plaine
Frankrijk